TI德州儀器生產的INA128 和 INA129 (INA12x) 均為具備出色精度的低功耗通用儀表放大器。這些放大器采用多功能三級運算放大器設計,尺寸小巧,適用于多種應用。即使在高增益(200kHz、G = 100)情況下,電流反饋輸入電路也可提供寬帶寬。
可通過單個外部電阻器在 1 到 10,000 范圍內設置任意增益。INA128 可提供具有 50kΩ 電阻的業界通用增益公式。INA129 增益公式使用 49.4kΩ 電阻器,可直接替換同類器件。

INA12x 采用塑料 DIP 和表面貼裝式封裝,額定溫度范圍為 –40°C 至 +85°C。INA128 也采用雙路配置,即 INA2128。
升級后的 INA828在相同靜態電流下可提供更低的輸入偏置電流(最大值 0.6nA),并且具有更低的噪聲 (7nV/√Hz)。
特性
低失調電壓:50μV(最大值)
低漂移:0.5μV/°C(最大值)
低輸入偏置電流:5nA(最大值)
低噪聲:8nV/√Hz,0.2μVpp
高 CMR:120dB(最小值)
帶寬:1.3 MHz (G = 1)
輸入保護電壓可達 ±40V
寬電源電壓范圍:±2.25V 至 ±18V
低靜態電流:700μA
封裝:8 引腳塑料 DIP,SO-8
應用
? 壓力變送器
? 溫度變送器
? 稱重計
? 心電圖 (ECG)
? 模擬輸入模塊
? 數據采集 (DAQ)

簡化版原理圖

INA128引腳

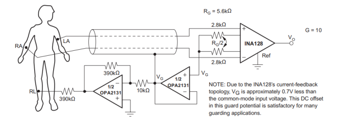
應用:心電圖放大器

INA128 功能框圖
詢價列表 ( 件產品)
哦! 它是空的。